2.33 Cyclic Voltammetry (Pro)
Summary
The Cyclic Voltammetry app can be used to perform peak analysis of forward and backward traces of cyclic voltammetry data.
A region of interest (ROI) can be set for the traces, and peaks can be manually assigned and fitted after baseline is subtracted. The integrated area within the ROIs and the peak properties of the fitted curves can be reported to a worksheet.
Tutorial
- Start this tutorial with the app Cyclic Voltammetry installed. If you have not installed this app, please click Add Apps button in Apps Gallery to open App Center to search and install the app.
- Right-click on the app icon to select Show Samples Folder to open the sample folder, drag-and-drop the sample project "SampleData.opj" into Origin workspace.
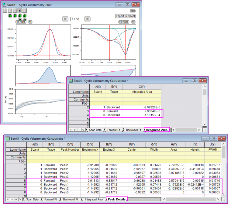
- Click the app icon to open the app dialog. Select Column A, D, and E as Scan Index, Voltage and Current.
- Click OK to generate a graph named "Cyclic Voltammetry Tool" and a workbook named "Cyclic Voltammetry Calculations".
- There are some control buttons on the graph, you can use them to find and fit peaks on the forward and back worad traces.
- Move the two ROI boxes (the green one represents forward signal and the yellow one represents backward signal) to select signals.
- Click Set Peaks button, and then double-click on each peak center to locate the peaks on the traces. Press ESC key to finish setting peaks and escape the mode.
- Click Fit button to perform peak fitting for each sides.
- Click Report to Sheet button to output peak details.
- Click the left or right arrows to switch to different scan# signal. Do the same steps to perform the peak fit, you will get the peak results for each scan index.
- Once you finished the fitting, you can click the Close button to close the window "Cyclic Voltammetry Tool".






